晃电=原料报废+设备故障?安科瑞ARD-KHD装置,给生产线装“稳电盾”
在工业生产车间里,*让人猝不及防的“隐形杀手”(152)不是设备老化,也不是操作失误(0176),而是持续仅毫秒级的(0719)“晃电”。这种看似不起眼的电压暂降,却能让整条生产线瞬间停摆,留下满地报废的原料和故障设备,成为企业盈利路上的“拦路虎”

1.别让“毫秒级”晃电,造成“百万级”损失
很多企业对晃电的危害认知不足,总觉得电压波动只是瞬间的事,不会有太大影响。但事实恰恰相反,工业生产的连续性一旦被打破,引发的连锁反应往往难以估量。

更棘手的是,晃电的诱因无处不在。雷电击中输电线路、电网负荷突增、企业内部大功率设备启停,都可能引发电压暂降。这种随机性让企业防不胜防,而传统的供电保护方案要么响应速度慢,要么成本过高,难以形成有效防护。

2.安科瑞ARD-KHD装置:毫秒级响应,守住生产连续性
面对晃电难题,安科瑞ARD-KHD系列抗晃电装置给出了精准解决方案,就像给生产线装上“稳电盾”,从而杜*晃电引发的停产损失。


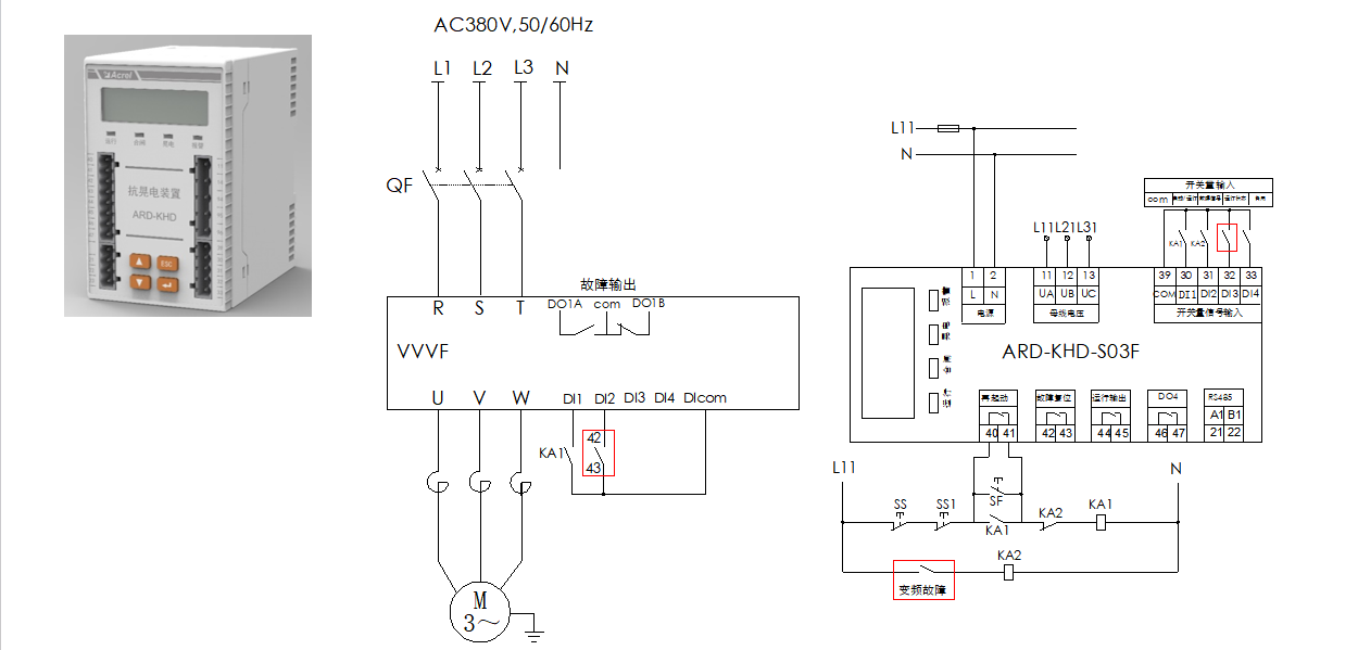
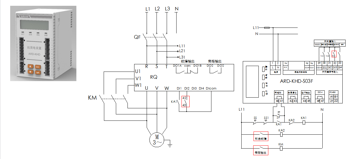
其核心优势在于“晃电保持+自动再启”的双功能设计,完*适配工业生产的实际需求。当电网发生电压暂降时,装置内置的超级电容会瞬间启动储能供电,为接触器持续提供稳定电源,避免触头弹跳断开,响应速度快于1毫秒,即使晃电导致设备意外停机,电压恢复后装置也能自动触发重启程序,让电机、变频器等关键设备快速恢复运行,无需人工干预,*大限度缩短停机时间。

针对不同生产场景,安科瑞ARD-KHD系列还提供了差异化选择:ARD-KHD-S03A/B型号适配普通接触器回路,ARD-KHD-S03F专门针对变频器、软起回路设计,无需改动原有线路即可安装,接线方便。装置还具备事件记录功能,可存储16条各类晃电相关事件,方便用户后续追溯分析,为电网优化提供数据支持。

无论是石化、钢铁等连续生产行业,还是电子、精密制造等敏感负荷场景,安科瑞ARD-KHD装置都能精准适配。它不仅解决了传统治理方案成本高、部署复杂的痛点,更以高性价比实现了“晃电不停车”的核心需求,让企业无需再为瞬间电压波动付出沉重代价。
3.选对“稳电盾”,让生产少走弯路
工业生产的核心竞争力,在于连续性和稳定性。一次晃电造成的不仅是直接经济损失,更可能打乱生产计划、影响客户信任。安科瑞ARD-KHD系列抗晃电装置经过众多行业实战验证,从雷雨天气的电网波动,到内部设备启停的电压冲击,安科瑞ARD-KHD装置始终坚守防线,让原料报废、设备故障的窘境不再发生。给生产线装上这层“稳电盾”,就是给企业盈利加上“安全阀”,让每一分投入都转化为持续的生产效益。
审核编辑 黄宇
- 随机文章
- 热门文章
- 热评文章
- 1毫克即致命 目前无特效解毒药物 一文了解“舌尖上的杀手”米酵菌酸
- 东北地区及广西云南有较强降雨 南方地区高温天气将进一步发展
- 在家门口享受幸福“食”光 这些社区食堂实现了“全龄”覆盖
- 高温黄色预警:四川重庆湖北等21省区市有高温 局地气温超40℃
- 如何科学减重?上海多学科专家携手为肥胖者开展个性化诊疗
- “朱氏内科疗法”非遗传人上海书展分享中医智慧
- 全国大型法医学术交流研究生首次担纲当主角成果亮眼
- 台湾师生行走江苏:似曾相识的熟悉感、刷新认知的新体验
- 退票贵退票难 演出市场退票困局亟待破解
- 老年朋友请注意,医生喊您做力量训练啦!| 运动是良医
- (中国新貌)兰州:黄河穿城而过 明珠焕发光彩
- “普拉桑”将给华东带来强风雨天气 中东部地区将有大风降温
- 我国一批重点工程建设取得重要成果 助力经济高质量发展
- 1《汉口路上》:勾连今昔的上海“荡马路”指南
- 2京东 明星送好礼 完成随机任务领随机京豆
- 3京东 满1500减120元优惠券,Plus会员可领~
- 4大众ID.3和ID.4 X聪明款上市,售价12.9888万起
- 5先领券再剁手:建设银行0.99元购36元立减金!中国银行充话费立减4元!
- 6“凯里酸汤”长桌宴,一场美食文化之旅
- 7冬季,糖尿病患者如何控好血糖?生活方式干预能替代药物治疗吗?| 时令节气与健康
- 8“穿越”三千年的探寻,殷墟商文明何以流量不止?
- 9京东百亿补贴、深圳专享、PLUS会员:Xiaomi 小米 13 ultra 16GB+512GB 黑色 第二代骁龙8
- 102024全国青少年信息素养大赛总决赛圆满闭幕
- 11十个维度看中国|挑战用一百块钱打卡上海小吃 感受“city度”
- 12Backcountry MTN Air 男女同款长裤
- 13追光|不屈的灵魂 铸就体育荣光
- 1crocs 卡骆驰 Literide 360 儿童户外拖鞋
- 2HELLY HANSEN 哈雷汉森 Odin 男子弹力夹克
- 3CHINA TELECOM 中国电信 封神卡 20年29元月租(135G全国流量+100分钟通话+自主激活)
- 4玩模总动员:让火焰净化一切!HEX 炎魔之王拉格纳罗斯 1/6 雕像 开箱
- 5可carry亦可辅助的果岭风扇
- 6QCY H3 主动降噪头戴蓝牙耳机
- 7好吃的巧克力排行前十名?哪种人气最高好吃?
- 8兰空图床,这个图床工具牛大啦!10分钟快速部署。
- 9不锈钢锅发黑怎么办?涂点这个东西,擦一擦,瞬间光亮如新
- 10【咖啡】1000元以下15台半自动咖啡机云选购攻略
- 11电脑技巧:推荐一款非常棒的截图软件X-Snip,值得收藏!
- 12“穷鬼天堂”,这些家居品,换个思路买,省下一个亿
- 13一键生成!4款超火视频自动生成器,你值得拥有!
新青年杂志



